Pompe à eau moteur Ford 678HT, 678HTA moissonneuse batteuse New-Holland E9HN8501BA, E9HN8A513BA, 82847749

En stock
icons/clock Livraison 48-72h
Livraison 48/72 heures
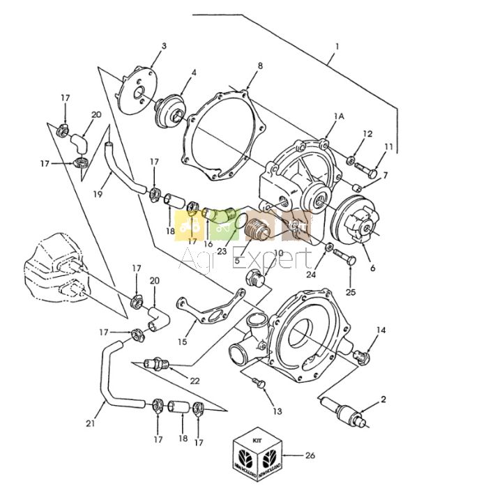
Pompe à eau repaire N°1
Soit 1 315,20 € TTC
1 096,00 € HT

Pompe à eau moteur Ford 678HT, 678HTA

Moissonneuse batteuse Laverda :

M111, M121, M311, M321, M421, M611, M621, M811, M821

Moissonneuse batteuse New-Holland :

TR86, TR96

À NE PAS RATER

Notre sélection de produits

Il est possible de naviguer entre les éléments du carrousel à l'aide de la touche de tabulation. Vous pouvez sauter le carrousel ou passer directement à la navigation dans le carrousel à l'aide des liens de saut.